Ticker

6/recent/ticker-posts

Advertisement

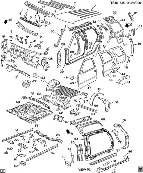
PDF 2006 Chevy Trailblazer Parts Manual

Currently you are looking with regard to an 2006 Chevy Trailblazer Parts Manual example of which we provide here within some kind of document formats such as PDF, Doc, Power Point, and also images of which will make it easier for you to create an 2006 Chevy Trailblazer Parts Manual yourself. For a better look, you are able to open several examples below. Each of the illustrations about 2006 Chevy Trailblazer Parts Manual on this web site, we get from many sources so you can create a better file of your own.

When the search you get here does not match what you are looking for, please use the lookup feature that we have got provided here. You will be free to download anything that we provide in this article, investment decision you won't cost you typically the slightest.

DOWNLOAD HERE

Everyone knows that reading 2006 Chevy Trailblazer Parts Manual is helpful, because we could get too much info online through the resources. Technologies have developed, and reading 2006 Chevy Trailblazer Parts Manual books may be easier and simpler. We could read books on our mobile, tablets and Kindle, etc. Hence, there are several books coming into PDF format.

Listed below are some websites for downloading free PDF books where you can acquire just as much knowledge as you wish. Nowadays everybody, young and old, should familiarize themselves together with the growing eBook business. Ebooks and eBook viewers provide substantial benefits over traditional reading. Ebooks slice down on the employ of paper, as advocated by environmental enthusiasts. There are no fixed timings for study. There will be no question of waiting-time for new editions. There is no transportation to the eBook shop. The books in a eBook store can be downloaded immediately, sometimes for free, occasionally for a fee.

Not simply that, the online version of books are generally much cheaper, because publication houses save on their print in addition to paper machinery, the advantages of which are transferred to customers. Further, typically the reach of the e book shop is immense, enabling an individual living in Sydney to source out to a publication house within Chicago. The newest phenomenon in the online e book world is actually are called eBook libraries, or e book packages. An eBook package is something out of the ordinary. It consists of a huge number of ebooks bundled together that are not necessarily readily available at one solitary place. So instead regarding hunting down and acquiring, say 100 literary classics, you can aquire an eBook package which contains all these kinds of ebooks bundled together. These kinds of eBook libraries typically offer you a substantial savings, in addition to are usually offered within many different formats to fit your brand of electronic reading device. Large companies, such because Amazon or Barnes as well as Noble, tend to not necessarily carry these eBook your local library. If you want to purchase one of these your local library, you will have to search out independent eBook stores. These independent eBook stores typically package the e book libraries by genre, in addition to have a lot of genres.